
纺织、机械、陶瓷、精细化工、冶金、玻璃、五金、皮革等制作业。
电镀、电子、制鞋、印刷、塑料、制衣、包装、食品等加工业。
医院、候诊室、学校、候车室、超级商场、洗衣房
高尔夫球练习场、烧烤场、运动场。
厨房、菜市场、大型娱乐中心、地下停车场、公园等场所。
温室、花卉、家禽、畜牧等种植场、养殖场。




概述:
RSM系列产品是北京瀚宁空气技术有限公司运用湿膜材料的特性,
根据空气蒸发吸收湿膜材料表面的水份后,加湿空气或使空气温度降

低的原理制造的。
RSM产品中的加湿器有直供水和循环水两种供水方式。
应用范围:
与组合空调、新风机组、风机盘管风管配套。
技术特点:
节省空调设备中加湿段距离
可省去或替代挡水板
洁净加湿
安全可靠、长寿命、宁静无声
标准自控接口
湿膜材料的特性 : 
湿膜材料是一种亲水性材料,它能将吸收在其中的水份均匀地分布在材料表面,形成水
的汽化层,当空气流经材料表面时,将汽化层中的水份蒸发汽化,吸收到空气中.根据这个
原理,制成气化式加湿器。同时, 当空气流经材料表面时,空气吸收了水份,空气的显热发生
变化,空气的湿度也降低了. 根据这个原理,我们制成了冷却器。另外,湿膜有一定的吸水性,
它又具备相当地过空气能力,干燥的湿膜材料可以吸收空气中的冷凝水.根据这两个特性,
制成挡水板。
技术性能(工况温度25℃,相对湿度15%RH)

工作原理:
●湿膜直排水工作原理:

湿膜直排水加湿器工作原理图
经过电磁阀的清洁自来水通过供水管路送到湿膜顶部布水器,水在重力作用下沿湿膜表面往下流,从而将湿膜表面润湿,流到接水盘中的水通过排水弯管 排到下水管道中,即水不循环使用。当热空气穿过潮湿的湿膜时,其湿度增加,温度下降,这一加湿过程为等焓加湿过程。(注:当水温低于露点温度时,此过程为 减焓加湿过程)。在这一过程中,湿膜上的部分水被蒸发掉,但不消耗额外的能源!
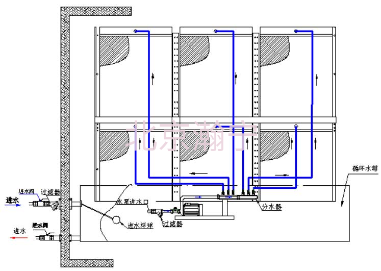
●湿膜循环水工作原理:
洁净的自来水(或冷冻水)通过进水管路送到湿膜循环水的循环水箱中,进入循环水箱的水是由浮球阀或是液位开关来控制。湿膜循环水的水泵将水箱中 的水送到湿膜顶部布水器,通过湿膜布水器将水均匀分布,水在重力作用下沿湿膜表面往下流,将湿膜表面润湿,当空气穿过潮湿的湿膜时,其湿度增加,温度下 降,这一加湿过程称为等焓加湿过程(注:当水温低于露点温度时,此过程为减焓加湿过程)。在这一过程中湿膜上的水被蒸发掉一部分,但不消耗额外的能量。从 湿膜上流下来的未蒸发的水流进循环水箱,再由循环水泵送到湿膜顶部,过程循环往复,从而达到节水的目的!
使用条件:
环境温湿度, 湿膜本体 1~,60℃,电控箱 1~50℃,90%Rh
临界风速4.0m/s以下
给水水质 自来水或同类型水
给水温度 5~40c
给水压力 0.15~0.75Mpa
外形示意图:
●直排水


●循环水
◆循环水湿膜加湿器属于等焓加湿方式;
◆一种自动化程度高而又简便的加湿装置可实现自动进水、
◆排污、加湿、停机、缺水保护等功能,维护费用低;
◆饱和效率高,可达到86%以上,对水质无特殊要求;
◆对空气有洗涤过滤作用;
◆加湿量可自身调节的特性;
◆节约用水,水利用率高

技术参数表:
●湿膜挡水板(RSMD)
型 号 | 湿膜厚度(mm) | 规格 | 坡角 | 极限风速(m/s) | 标准阻力(mmH2O) | 过水量(g/kg) |
RSMD-50 | 50 | 1:44 | 45° | 3.8m/s | 2 | 0.2 |
RSMD-100 | 100 | 1:44 | 45° | 4.5m/s | 3.8 | 0.1 |
●湿膜加湿器(RSMA)
湿膜型号 | RSMA-50 | RSMA-100 | RSMA-150 | RSMA-200 | RSMA-250 | RSMA-300 |
湿膜厚度(mm) | 50 | 100 | 150 | 200 | 250 | 300 |
饱和效率(%) | 30 | 55 | 70 | 80 | 85 | 90 |
风阻(Pa) | 20 | 35 | 50 | 75 | 85 | 93 |
加湿效果 | 测试条件:进风空气状态为干球40℃,相对湿度15%RH,面风速2.5m/s,水温为20℃ | |||||
1m2标准加湿能力(kg/h) | 23 | 44 | 56 | 64 | 68 | 72 |
●湿膜加湿器(RSMB)
湿膜型号 | RSMB-50 | RSMB-100 | RSMB-150 | RSMB-200 |
湿膜厚度(mm) | 50 | 100 | 150 | 200 |
饱和效率(%) | 40 | 68 | 82 | 88 |
风阻(Pa) | 30 | 50 | 80 | 90 |
加湿效果 | 测试条件:进风空气状态为干球40℃,相对湿度15%RH,面风速2.5m/s,水温为20℃ | |||
1m2标准加湿能力(kg/h) | 34 | 56 | 68 | 72 |
安装示意图:
(一)、直排水方式
安装示意图:
(二)、内循水方式
安装示意图:


加湿器选型计算:
湿膜在不同风速条件下的风阻计算:
已知某种湿膜的标准风阻力为P0
(注:标准风阻力指湿膜在2.5m/s的标准风速条件下的阻力),
且目前空调内通过湿膜的实际风速为V,
则此时湿膜风阻力:P=P0×(V/2.5) ×2
湿膜的使用条件:
(1) 环境温湿度:湿膜本体 1~100℃ 电控箱 1~50℃ 90%RH以下
(2) 临界风速:4.0m/s以下
(3) 给水水质:自来水或同类型水
(4) 给水温度:5~40℃
(5) 给水压力:0.15~0.75Mpa
湿膜加湿量在不同空气状态下的修正:
湿膜标准加湿能力指的是在进风空气状态为:干球温度40℃,相对湿度15%RH,面风速为2.5m/s,淋水水温为20℃,湿膜淋水量大于最小 工作淋水量条件时的湿膜加湿量!当外界条件改变时,湿膜加湿量也随之改变!以下是其在进风空气温湿度发生变化时加湿量发生变化的修正图表!

选型举例:
例:某电子厂房空调总风量为30000m3/h,空调新风为30%,冬季室外空气 参数为:-4℃,70%RH.
要求室内达到:22℃,50%RH。问:用湿膜循环水加湿降温系统何种型号较好?
(1) 计算空调所需有效加湿量:
冬季室外空气含水量:2g/kg,厂房内空气含水量:8.2g/kg
W=1.2×[30000×30%]×[8.2-2]×10-3×1.2(安全系数)=80kg/h
(2) 湿膜的修正系数:
已知湿膜进风口的温度为25℃,相对湿度为32%RH由湿膜温湿度系数图可查:系数N1=0.53
(3) 湿膜厚度的选择:
计算湿膜标准加湿能力(kg/h)
假设湿膜面积=空调换热器面积=3.4m2
湿膜面风速=30000m3/h÷3.4m2=8823m/h=2.45m/s
所需湿膜标准
加湿能力/m2 =(湿膜有效加湿量÷温湿度修正系数)÷(通过湿膜的风速÷2.5)÷湿膜面积
=(80÷0.53)÷(2.45÷2.5)÷湿膜面积
=154÷湿膜面积=154÷3.4=45.3kg/h/m2
如选RSMA湿膜:→选择RSMA(X)-(湿膜主机:宽度×高度)-150型湿膜循环水加湿器
如选RSMB湿膜:→选择RSMB(X)-(湿膜主机:宽度×高度)-100型湿膜循环水加湿器
(4)已知空调风量为30000m3/h,故选择水箱长度L1=150+200=350mm,高度H1=250mm
又,空调选择左式,即表冷器、换热器的出管口均在空调左侧(沿风向方向看)
如选RSMA湿膜→选择RSMA(X)-150-350×250-L型湿膜循环水加湿器
如选RSMB湿膜→选择RSMB(X)-100-350×250-L型湿膜循环水加湿器
推荐使用:
显而易见,湿膜循环水加湿方式的最大优点是节水节能,符合国家节水的要求,但长时间使用会产生结垢和细菌滋生问题,必须采取有效措施加以解决!
[解决方案]※ 不断地补充新水,利用新水中的次氯酸,对循环水箱中的存水进行杀菌消毒,防止水中的细菌滋生。
※ 采用不断地强制排水,防止水中盐类浓度的提高,达到防垢的目的!
由上可知,湿膜循环水是一种性能优良的加湿方式,只要解决好水中细菌的滋生和水垢的产生即可长期有效地工作!为此,我们根据水质硬度过高的特点,采用以下成熟技术来实现阻垢防菌的目标。
结论:对于卫生条件要求比较高的场所,在采用湿膜循环水加湿方式时,建议采用含有阻垢防菌控制方案的新型电控箱,以保证系统的卫生性与可靠性!
对策:采用新型防菌阻垢型湿膜循环控制方式.
湿膜降温说明:
RSMZ系列蒸发冷却器:用于等焓降温
——湿膜降温的工作机理
湿膜降温是等焓降温,它是利用水蒸发时对空气的大量吸热来实现降温目的.1Kg水汽化可以吸收约586大卡的热能,故在炎热的夏季通过湿膜的蒸 发冷却可以实现空调的有效降温!相比于传统制冷机组降温,湿膜降温投资少,运行耗能低,特别适宜于车间,仓库,公共场所的一般性降温!
——蒸发冷却器特点
●一种节能的制制冷若冰霜装置,它不用盘管, 不用冷冻水,直接利用水的自然蒸发作用,将空 气的显热转化为潜热。这种能量的转移表现在空 气温度的下降,转移能量的多少就是我们所需要 的“冷量”。
●一种简便的制冷装置,它不用压缩机制冷,只 用一套简单的循水装置,维护费用低,电费大约 只有制冷系统的10%-15%
●一种完整的制冷装置,它是一个完整独立的工 作单元,具备冷却器主机,循环水装置,自动控 制器,供水系统等,可以在现场安装于空气处理 设施中,特别适合于高温低湿的新疆、青海、甘 肃等地区。
——湿膜降温适宜的地区
湿膜降温最适宜夏季北方广大地区,降温最大可达8~11℃;对于南方地区,湿膜降温也有较好的效果,一般可降3~5℃!但需要强调的是湿膜降温系统必须使用全新风空气处理系统,空调新风总量应是整个室内空间体积的10倍以上! 例如:发电厂,核电站空气预冷,冶炼厂、高炉房空气预冷,大型电子厂房,制衣厂,制鞋厂冷却空气,粮库,水果库,菜库。
——湿膜降温系统的配置
湿膜降温系统一般由风机,风柜,蒸发冷却降温湿膜(一般采用250~300mm厚度),循环水箱,循环水泵,控制箱等组成!系统配置简洁,无制冷机组、冷却塔等设备。设备耗能一般仅为几个KW(注:此处不含风机耗能
——湿膜夏季降温为什么不建议使用直排水方式
湿膜夏季降温的机理是:a·水的汽化吸收大量空气中的热能;
b·水与热空气的接触交换吸收空气的热能;
这两者都是需要水与空气的充分大量接触,即需要大量的水从湿膜上淋下,从而保证降温的效果!而如果采用直排水,由于淋水量大则耗水惊人,用户无 法承受;淋水量小则降温效果大打折扣,无法实现真正的降温;而循环水方式则无此忧虑,只需加装一套防菌阻垢循环水控制系统即可!

技术参数表:
湿膜加湿器RSMZ | 湿膜型号 | RSMZ-200 | RSMZ-250 | RSMZ-300 |
湿膜厚度(mm) | 200 | 250 | 300 | |
饱和效率(%) | 75 | 83 | 90 | |
标准风阻(Pa) | 75 | 75 | 93 | |
额定冷量(大卡) | 31500 | 34860 | 37800 |
注:(1)以上表格中的标准风阻指湿膜在2.5m/s面风速条件下的阻力;
(2)以上表格中的额定冷量指在进入湿膜的空气状态为:t干球=38℃,t湿球=30℃,面风速为2.5m/s,风量为1万m3/h时水汽化所能提供的冷量!
选型:
[例] 某汽车涂装车间的涂装空调为全新风空调送风方式,送风风量为16万m3/h,夏季室外最炎热时的空气状态为38℃,40%RH,现室内涂装工艺所需的相对 湿度为75%RH,温度则是越低越好,但由于采用传统的制冷机组投资及运行费用巨大,用户无法承受,只能采用湿膜等焓降温方式来实现涂装车间的降温目的:
查焓湿图,我们可以知道,采用湿膜等焓降温方式可使室外送风空气沿等焓线处理到:29.5℃,75%RH,此时所需的湿膜降温饱和效率为 73%,查表我们可以得知,此时所需的湿膜厚度为200mm,考虑一定的安全系数,我们推荐此时采用250mm厚度的湿膜材料!此时的空调送风温度为 29.5℃,考虑到涂装空调为全新风空调,风量大,涂装室内的空气次数已达到20次以上。且室内无大的发热设备,外热负荷也不很大→故涂装车间的室内空气 温度一般能控制在30℃左右,湿度满足涂装工艺70%RH的技术要求!
湿膜降温的使用说明:
▲ 采用湿膜等焓降温方式可以在夏季在北方以及南方许多领域实现良好的降温. 如:体育馆、化工厂、机械加工厂、皮革厂、娱乐场、候车室、商场、涂装厂、游乐场、仓库等 !
▲ 采用湿膜等焓降温方式必须使用全新风空调送风方式,否则降温效果大受影响!
▲ 采用湿膜等焓降温方式如希望实现较大的降温效果,则必须考虑较大的送风风量,一般应考虑送风风量是整个降温空间的10倍以上。
咨询热线
15311195838